Ассортимент цепей для силовых трансмиссий включает приводные цепи, цепи для тяжелых условий эксплуатации (повышенной прочности), двухшаговые цепи, промышленные цепи, бесшумные цепи, цепи для нефтедобывающего оборудования, пластинчатые и конвейерные цепи.
Приводные цепи обеспечивают плавную и эффективную передачу мощности с низким коэффициентом трения и постоянным передаточным отношением, что особенно важно для синхронных приводов.
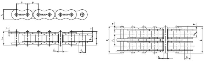
Роликовые цепи ANSI, BS/ISO, ANSI повышенной прочности Н, ANSI сверхвысокой прочности SH, из нержавеющей стали, с покрытием Dacromet, никелированные, оцинкованные, самосмазывающиеся.

В ассортимент включено несколько типов цепей специального назначения, которые производятся из особых материалов и могут комплектоваться дополнительными прикреплениями. Объем реализации некоторых типов цепей этой категории в большей степени зависит от отраслевой специализации, чем от региона. Примером могут служить цепи для нефтяного оборудования и сельскохозяйственных машин, представленные в ассортименте продукции SKF.
Специальные цепи.
Прикрепления А-1, К-1.

Прикрепления SА-1/M1, SК-1/M1.

Прикрепления WA-1, WA-2, WK-1, WK-2.

Прикрепления WSA-1, WSA-2, WSK-1, WSK-2.

Допускающие изгиб в поперечной плоскости.

Цепи для нефтедобывающего оборудования.
]
Приводные двухшаговые цепи.

Специальные приводные двухшаговые цепи.

Конвейерные двухшаговые цепи.

Специальные двухшаговые конвейерные цепи.

Тяговые конвейерные цепи.


Специальные конвейерные цепи.

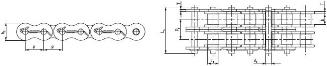
Приводные зубчатые цепи (с контактом по боковым поверхностям зубьев звёздочки).

Приводные зубчатые цепи (с контактом по поверхностям впадин звёздочки).

Пластинчатые цепи ANSI BL422-BL888, ANSI BL1022-BL2088, BS/ISO LL0822-LL4888, ANSI AL322-AL1688, FL, F19V, FLC, 12XX, 15XX, 19XX, 25XX.

Все типы цепей комплектуются стандартными звеньями. На заказ могут поставляться цепи с изогнутыми звеньями. Стандартные цепи поставляются в упаковке с маркировкой «SKF» - тип упаковки крупногабаритных цепей зависит от размеров цепи и объема партии. Все изделия данной категории имеют в обозначении префикс «РНР».
Дополнительную информацию можно получить на сайте SKF: http://www.skfptp.com/ru/.

